MCC 產品的大多數數字 IO 是控制信號,這意味著它們是 TTL 電平,但電流非常低。
例如,USB-1608G系列和 USB-200 系列各有 8 個可單獨編程的數字 IO。
根據任一器件的已發布規范,每位的最大電流吸收器或源電流為 ±2.5mA。
大多數 5V 繼電器和螺線管需要比 2.5mA 大得多的電流。或者,您可能有需要 12、24 或 48VDC @ 超過 1Amp 的繼電器、螺線管或接觸器。
那么如何使用USB-1608G的數字 IO來控制這些設備呢?很簡單,使用中間級將控制信號增加到適當的信號電平。
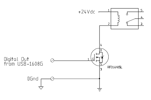
例如,我有一個需要 24VDC @ 10mA 的繼電器,我想從我的USB-1608G控制它。我使用 Fairchild Semiconductor 14N05L N 溝道功率 MOSFET 將信號驅動到繼電器。該 MOSFET 可處理高達 14 安培、50 伏直流電。
這是我使用的電路:

注意:確保您的繼電器內置反電動勢二極管(又名回掃二極管),或在外部添加一個。要在外部添加一個,請在繼電器的線圈端子上安裝一個二極管,例如 1N914、1N4148 或 1N4004,以便陰極連接到與電源相同的端子。這將允許它在繼電器線圈斷電時從繼電器線圈底部的正電位到頂部的負電位以環形回路傳導電流。
要控制 110VAC、120VAC、240VAC 或更高的交流電壓,您可以使用上述電路中顯示的繼電器觸點來控制您的交流或下一級繼電器。