簡介
溫度是工程師和科學家們經常需要測量的物理量。從高加速壽命測試(HALT)/高加速應力篩選(HASS)到動力計測試單元和微處理器測試驗證,溫度測量在大量應用中都發揮關鍵性作用。現代測試測量系統已經克服了溫度測量中可能遇到的種種困難,非常便于用戶使用,但是,理解相關理論、熟悉操作流程并了解其內在缺陷,將有助于您在進行溫度測量時更加得心應手。
本文深入探討了以下幾種應用廣泛的溫度傳感器:熱電偶、電阻式溫度檢測器(RTD)、熱敏電阻。每種傳感器都有各自的優缺點,適合于不同應用需求(見表1)。

熱電偶是最常用的溫度傳感器,具有最低的價格、最廣的溫度范圍,并且堅固耐用,但是精準度相對偏低。RTD雖然價格偏高,但具有更好的精準度和穩定性。熱敏電阻比RTD更具價格優勢,比熱電偶精準度更高,而且具有極佳的靈敏度,但測溫范圍相對狹窄。
針對不同應用,每種傳感器都有各自的優缺點,適用于不同的測試測量系統。舉例來說,熱電偶構造簡單,僅由一端連接在一起的兩根不同材質的導線構成,但簡單的設備需要測量系統做更多的工作,例如信號放大、濾波和冷端補償(CJC)。RTD和熱敏電阻則提出不同要求,因為二者都是電阻式設備,所以需要電流源來講電阻轉為電壓,另外,RTD還需要搭配額外的電路,以最大化精準度和靈敏度。
理解每種溫度傳感器的基本原理,有助于您在工程應用中做出更好的選擇。
RTD溫度測量
RTD傳感器基礎知識
電阻式溫度探測器(RTD)由具有較高正溫度系數的電阻組成。大多數RTD都是簡單的繞線電阻或薄膜電阻,并已知其阻值隨溫度變化的關系。不同RTD之間精準度差別很大,最精準的RTD是遵循NIST溫度標準的。
鉑是應用最為廣泛的RTD材料,鉑電阻從10Ω至10kΩ不等,常用0°C下為100Ω的鉑電阻。業內使用的鉑質導線具有標準的溫度系數,α=0.00385Ω/Ω/°C,化學上的純鉑溫度系數為0.00392Ω/Ω/°C。
下式列出了特定溫度系數α下傳感器電阻的相對變化量與溫度的關系。
公式2:RTD溫度系數
ΔR = αRoΔT
其中:
α = 溫度系數,單位Ω/Ω/°C
Ro = 0 °C下的標稱阻值,單位Ω
ΔT = 相對于0°C的溫度偏移量,單位°C
鉑導線在0°C時標稱阻值100Ω,并隨溫度以0.385Ω/°C的斜率變化。如溫度升高10°C,鉑導線的阻值將從100Ω上升至103.85Ω,若溫度下降10°C,阻值將降低為96.15Ω。
由于RTD傳感器的阻值和溫度系數都相對較低,所以即便是電阻僅為10Ω、溫度系數稍高的導線,也會影響數據采集系統的精度,具體體現在隨溫度變化的導線電阻,將疊加到RTD傳感器的輸出上,對溫度測量噪聲明顯誤差。
測量RTD(或其他任何電阻式傳感器)的電阻值時,在其兩端加以已知電壓,然后測得電流,并通過歐姆定律算出電阻。為了避免導線引入的測量誤差,可以使用一組導線連接傳感器和電壓源,同時使用另一組導線連接傳感器和信號調理電路,這就是所謂的4線法,既能夠直接測量傳感器輸出電壓,又消除了導線引入的誤差。
測量方法:
2線法、3線法和4線法
五種適用于RTD測量的電路,分別使用2線法、3線法和4線法:2線-電流源、3線-電流源、4線-電流源、3線-電壓源、4線-電壓源。
圖9展示了一種基本的2線電阻測量法,用歐姆表直接測量RTD電阻。除非已知線電阻和溫度系數,否則這種方式很少使用,而通常情況是,二者都是未知數,并且很難進行測量。

圖9:2線RTD測量法。最簡單的RTD測量電路,僅由兩根導線把RTD和歐姆表串聯起來。
圖10展示了一種基本的使用電流源的4線測量法,RTD電阻等于電壓除以電流。這種方式的精度比2線法高很多,但需要4根線以及一個非常穩定的電流源。阻抗極高的電壓表支路上不會出現明顯的電流,因此Vm即是RTD兩端的電壓。

圖10:使用電流源的4線RTD測量法。使用電流源的4線RTD測量法有效消除了線電阻導致的測量誤差。
公式3:使用電流源的4線RTD測量法

圖11展示了一種基本的使用電流源的3線測量法。Va和Vb分別代表開關(或復用器)切換至S1和S2時,高阻抗電壓表測得的電壓,通過Kirchhoff電壓定律和兩個節點方程即可算出RTD的阻值。相比于圖10中的電路,此電路的好處是節省導線,但必須盡力保證兩根導線的線電阻相等。

圖11:使用電流源的3線RTD測量法。使用電流源的3線RTD測量法類似于普通的3線法,只是免去了一根多余的導線。先測量Va,再測量Vb。
公式4:使用電流源的3線RTD測量法

圖12展示了一種使用電壓源的4線測量技術。可以根據Kirchhoff電壓定律和4個節點(Va,Vb,Vc,Vd)方程算出RTD的阻值。另外,只要檢測電阻穩定,允許電路中的電壓源稍有波動。

圖12:使用電壓源的4線RTD測量法。在4線法中使用電壓源比使用電流源更加復雜,但在檢測電阻足夠穩定的情況下,允許電壓源稍有波動。
公式5:使用電壓源的4線RTD測量法

圖13展示了一種使用電壓源的3線測量技術。可以根據Kirchhoff電壓定律和3個節點方程算出RTD的阻值,只要檢測電阻足夠穩定,電壓源允許稍有波動,并且在兩根電流線的線電阻相等的情況下,可以達到很高的精準度。

圖13:使用電壓源的3線RTD測量。這是檢測電阻足夠穩定時,使用電壓源的4線法的變種形式。
公式6:使用電壓源的3線RTD測量

相對于熱電偶來說,RTD的輸出信號線性度更好,但測溫范圍較窄。下列Callendar-Van Dusen方程常用于計算RTD的電阻:
公式7:RTD曲線擬合

另一種方法,在4種不同溫度下測量RTD電阻,并以此來求解一個20次多項式方程,這比Callendar-Van Dusen方程更加精確。圖14展示了此多項式的函數曲線,顯然,在800°C以下時,RTD的特性曲線比熱電偶更加線性,但RTD的最高工作溫度也僅限于800°C。

圖14:S型熱電偶 vs. 鉑質RTD。鑒于優良的穩定性和抗腐蝕性,鉑常用做制作RTD和熱電偶。此圖顯示800°C以下時,RTD的特性曲線比熱電偶更加線性。
注意事項
熱效應
RTD測溫應用中,另一個誤差來源是電阻的熱效應。電流I流過RTD時,將在電阻R上產生熱功率

例如,1mA電流流過100Ω的RTD,熱功率100μW。雖然看起來微不足道,但足以使RTD的溫度明顯升高,每1mW的功率可使RTD升溫1°C。當試圖利用小阻值的RTD以得到更迅速的響應時,不要忘記熱效應導致的誤差仍然存在。
在空氣中,熱效應造成的標準誤差為1°C/mW,若將RTD放置在能夠進行熱傳導的介質中,熱量便會傳導至整個介質,并適當降低誤差,例如在流速1m/s的空氣中,熱效應誤差僅為0.1°C/mW。在滿足分辨率要求的情況下,減小激勵電流以及使用體積更大的RTD,也是抑制熱效應誤差的有效手段。
輸入掃描
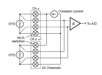
電流越低,產生的熱量越少,通常使用100μA至500μA的激勵電流,即可將熱功率限制在可承受范圍之內。如果再進一步降低電流,RTD將極易受到噪聲影響,精度嚴重降低,測量變得難以進行。另外,僅在進行測量時,才通以電流,同樣可以達到降低發熱的目的,例如,在多路復用的測量系統中,激勵電流也可以像模擬輸入一樣,進行多路復用,如果有16路信號輸入,電流僅出現在16路RTD中正在測量的那一路上,發熱功率瞬間降低至6%。這種方法的缺點是在引入了一個時間常數,導致溫度測量具有一定程度的延遲。

圖15:恒流源掃描模式。恒流源在多個RTD支路間輪流切換,使RTD在測量間隔時間內充分冷卻,以降低電阻發熱導致的誤差。
恒定電流激勵和比值式電流激勵是兩種實用的多路RTD掃描方式。圖15演示了恒定電流激勵法——500μA的電流在16個通道間切換,通過多路復用器的引導,電流將出現在正在進行測量的RTD支路上。3線法和4線法中都可以使用這種技巧,以消除電阻發熱導致的誤差。恒定電流激勵法的優點是電路結構簡單、噪聲抑制能力強,缺點是外部穩定恒流源的成品偏高。

圖16:比值式4線RTD測量法。每測量一路RTD,都需讀取四個電壓值,精密電阻用于測量流過RTD的電流Is,Vb和Vc分別為RTD兩端電壓,電阻則為 (Vb - Vc) / Is。
相比之下,比值法使用了恒定電壓源,來提供流經RTD電阻和精密電阻Rd的電流Is。并在測量每路RTD時,讀取四個電壓Va、Vb、Vc和Vd(見圖16)。電流、電壓和電阻的關系如下所示:
公式8:比值式4線RTD測量法

對于3線法(圖17),電壓Va-Vb代表一根導線上的壓降,又因為兩根線的材料完全相同(必須保證等長),所以在此假設兩根導線上的壓降也相等,最后,RTD兩端電壓及其阻值如下所示:
公式9:比值式3線RTD測量法

其他注意事項
熱電偶的一些使用細節,同樣應在RTD應用中受到重視,包括信號屏蔽、外界壓力、正確的組裝方式、適當的保護外殼、陡峭的溫度梯度以及使用直徑較大的補償導線等問題。另外,RTD比熱電偶更易破碎,使用時必須多加防護;RTD的質量通常比熱電偶更大,熱量分流問題更需要妥善應對。

圖17:比值式3線RTD測量法。比值式3線RTD測量電路假設傳感器的2根通有電流的導線具有等值線電阻,這是精確計算RTD電阻的必要前提。

表3:RTD電阻對比:低阻值 vs. 高阻值。雖然阻值較低的RTD具有更快的溫度響應,但測溫精度更容易受到熱效應的影響。