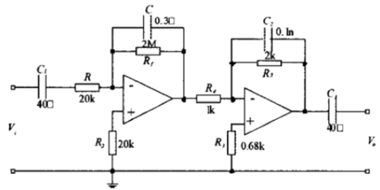
為了提高系統下限頻率,設計了一種有源型積分器。有源積分器如圖1所示。為了解決積分漂移的問題,在積分電容C的兩端并聯了一個M級的負反饋電阻R,來穩定工作點。在反相輸人端傳入了一個容值較大的電容C,用來有效抑制不必要的甚低頻于擾信號的增益。積分后對信號進行放大,在輸出端串聯一個容值較大的電容來隔離直流,限制有源積分的零點漂移。

圖1有源積分器的電路結構

圖2采用不同積分方式時仿真波形對比
本文所采用的有源積分器的元件參數如圖1所示。在PSPICE中搭建如圖5所示電路進行仿真,得出與普通積分(R=1k0,C=10μF)時的對比波形如圖2所示。在測量波形的下降階段,有源型積分比普通RC積分輸出的波形更加接近實際波形,測量系統的下限頻率降低,整個系統的頻帶拓寬。圖2所示為采用不同的R時的測量波形,從波形的下降階段可以看出,隨著R的增大系統的下限頻率降低,波形更加接近實際波形。

圖2 采用不同Rf時的測量波形