基于Rogowski 線圈的電子式電流互感器,在傳感環節,測得電壓
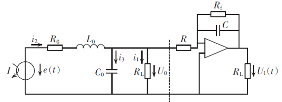
根據電磁感應原理,測得電壓相位理論上超前被測電流90°,在積分環節可以將相位還原,配合理想模擬積分器,則被測電流的相位不會產生畸變。模擬積分器中使用的運算放大器只有在線性工作區內可以正常工作,存在飽和問題。為了抑制積分器的飽和,實際使用中在非理想積分器的積分電容C 兩端并聯反饋電阻Rf,如圖1 所示。

圖1 電子式電流互感器等效電路與積分環節
這樣由Rogowski 線圈和帶反饋通道的模擬積分器組成的系統聯合系統傳遞函數為:

但是若積分器的反饋參數配置不當,其暫態輸出波形將嚴重失真。適當地提高積分器的反饋電阻Rf值以及積分電容C 可以改善其暫態傳變特性。但在實際應用中,模擬積分器受到嚴重的穩定性困擾。實際物理器件存在失調電流、偏置電流和溫度漂移等非理想因素的干擾,產生的直流量經過積分電容的累積,最終在輸出端疊加在信號上輸出。完全理想的運算放大器在實際中是無法實現的,在實際中使用的運算放大器是指由IC 構成的運算放大器,圖2 給出了其簡化的等效電路。由圖2可知,在考慮運算放大器的高頻響應時,輸入與輸出波形的響應情況是不同的,對于階躍響應,當輸入振幅較小時,由于電容C 和其他因素的影響會出現波浪形的滯后,輸入振幅較大時,由于SR 的影響會使輸出產生直線狀的滯后;對于正弦波的響應,在頻率很高時,將會出現一定的相位滯后。

圖2 IC 運算放大器的等效電路
此外,當有大振幅輸入時,由于IC 內部不會瞬間發生大電流,所以輸出的變化需要時間,這種變化的快慢用轉換速率來表征。轉換速率指運算放大器的輸出電壓在單位時間內能夠變化的電壓量。由于轉換速率的存在,運放的響應是有滯后的,這樣高頻的輸入電壓將與理論值不相等而產生誤差。
采用IC 運算放大器實現的模擬積分電路,在輸入信號經過其中進行運算積分的過程中,由溫度變化、電磁干擾等產生的電壓漂移、器件本身產生的噪聲等,都是無用信號,作為誤差計入,但由于模擬積分電路的放大效應,微小誤差經過負反饋加入輸入端信號中多次循環放大,最終對測量結果造成極大的干擾,甚至會淹沒有用信號,對后期測量和保護動作造成極大不利,這也是電子式電流互感器應用中需要解決的一大問題。