低成本數據采集設備 (DAQ) 通常使用單個模數轉換器 (ADC) 對多個通道進行采樣。為了對多個通道進行采樣,DAQ 使用固態模擬多路復用器 IC。典型單元的示例可能有 16 個電壓輸入通道和一個 ADC,需要每個通道與 ADC 共享時間。當今的一些更好的設備為每個通道都配備了一個 ADC,但這會帶來額外的費用。未來隨著芯片價格的不斷下降,每通道ADC將很普遍;然而,在此之前,DAQ 用戶應該了解信號的源阻抗如何影響信號測量。
所有多通道單 ADC 復用 DAQ,例如 IOtech 的 3000 系列產品線,都有一定程度的由雜散電容引起的電荷耦合效應(串擾)。電荷耦合影響信號的程度稱為通道間串擾,通常以負 dB 表示。理想情況下,16 位轉換器的串擾規格為 -96dB,但實際上并非如此。要確定此規格將如何影響讀數,請采用具有 -75dB 串擾的簡單雙通道系統,其中通道 1 測量 6.0 Vdc,通道 2 測量 0.0 Vdc。-75dB 規格告訴我們,一些 6.0 Vdc 將進入 0.0 Vdc,這可以通過以下等式確定:
串擾 = 20 Log ( X / 6.0Vdc )
X = inv Log ( -75dB/20 ) * 6.0 Vdc
X = 1.06mV

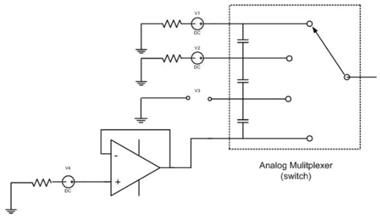
上面是一個典型的系統,描繪了通道之間的雜散電容。它還將輸入信號顯示為理想電壓源和相關電阻。在操作期間,多路復用器從通道 1 切換到通道 2,然后(在我們的示例中)再次切換回通道 1,正是這種切換動作導致雜散電容上出現電壓尖峰。因為電壓尖峰是交流信號,所以電容的作用就像一個瞬時短路,將一些電壓傳遞到下一個通道。該電壓沒有太多能量,并且會通過所施加信號的源阻抗(電阻)快速耗散(以指數方式)。希望現在很容易想象當源阻抗很大時會發生什么。
為了最大限度地減少串擾,系統需要優化穩定時間和源阻抗。如果 DAQ 單元具有以高速在通道之間來回切換的電路,那么具有低阻抗的信號就非常重要。另一方面,如果開關時間在秒范圍內,源阻抗就不那么重要了。理想的源阻抗應該為零,但實際上低于 100 歐姆是好的。對于許多高速器件,例如 3000 系列,增加建立時間不是一個可調參數,因為它們的時鐘電路是由固定的 1MHz 時鐘驅動的。因此,不可能通過增加穩定時間來克服高源阻抗問題。因此,源阻抗應最小化以保持精度。
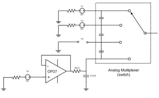
緩沖電路通常用于將高阻抗轉換為低阻抗,如下所示。需要注意的是,因為開關時間很快,所以應該使用像 OP27 這樣的快速運算放大器。否則,多路復用器的快速脈沖會干擾較慢的運算放大器輸出級,從而抵消緩沖器的任何積極影響。

根據信號吞吐量,可以將 INA128 等較慢的運算放大器與低通電路一起使用,如下所示:
